咨询内容:
你还没有添加任何产品
制桶专用机
浙江宁塑旗下专为制桶注塑而设计,采用叉片式机绞、特长开模行、大排量伺服、高速溶胶系统等。专为制桶设计
待议
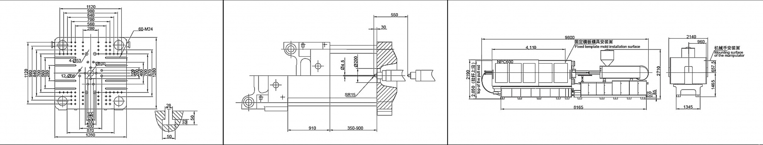
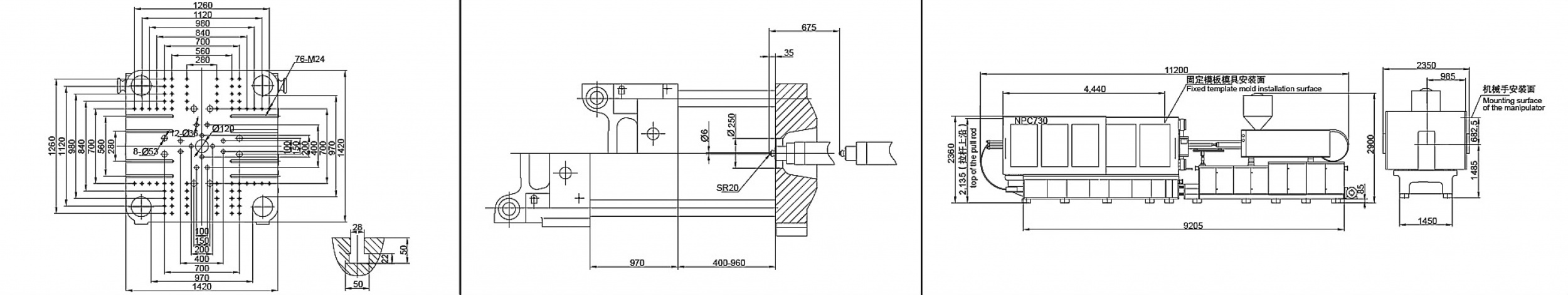
项目ltem 规格Specification | NPC450 | NPC650 | NPC730 | |
| A | A | A | ||
| 注射装置 INJECTION UNIT | ||||
螺杆直径 Screw diameter | mm | 80 | 100 | 100 |
螺杆长径比 Screw L/D ratio | L/D | 21 | 23 | 23 |
理论注射容量 Shot volume(theoretical)(ps) | cm³ | 1960 | 3142 | 3613 |
注射重量 Injection weight(ps) | g | 1784 | 2859 | 3288 |
注射压力 Injection pressure | Mpa | 158 | 150 | 167 |
螺杆转速 Screw speed | rpm | 186 | 173 | 173 |
合模装置 CLAMPING UNIT | ||||
合模力 Clamping force | KN | 4500 | 6500 | 7300 |
移模行程 Open stroke | mm | 770 | 910 | 970 |
拉杆间距(宽×高) Space between tie bars(W*H) | mm | 770*770 | 870*870 | 970*970 |
最大模厚 Max.Mould height | mm | 780 | 900 | 960 |
最小模厚 Min.Mould height | mm | 250 | 350 | 400 |
顶出行程 Ejector stroke | mm | 200 | 250 | 280 |
顶出力 Ejector force | KN | 110 | 150 | 210 |
其它 OTHERS | ||||
最大油泵压力 Max.pump pressure | Mpa | 17.5 | 17.5 | 17.5 |
油泵马达功率 Motor power/servo power | KW | 59.7 | 59.7+59.7 | 59.7+59.7 |
电热功率 Heating power | KW | 35 | 70.8 | 74.3 |
外形尺寸(长×宽×高) Machine dimension(L*W*H) | m | 7.98*1.84*2.30 | 10.1*2.14*2.17 | 11.2*2.35*2.90 |
油箱容积 Oiltank cubage | L | 815 | 1070 | 1180 |
机器重量 Machine weight | t | 17 | 27.3 | 32.6 |
注:







复制产品链接
长按图片保存/分享