咨询内容:
你还没有添加任何产品
滴灌专用机
浙江宁塑滴灌片专用注塑机,特殊螺杆结构、加强型机身、快速注射系统,专为农业滴灌片生产而设计。
待议
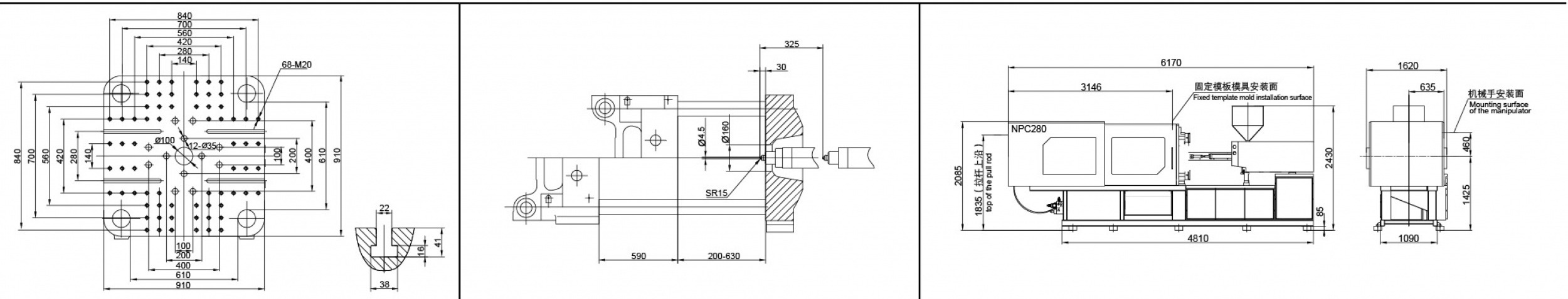
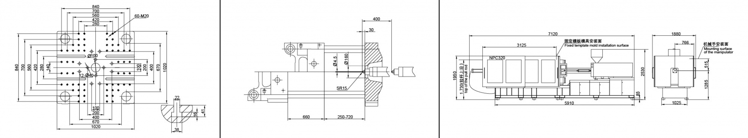
项目ltem 规格Specification | NPC300S | NPC320S | |
| F | C | B | |
| 注射装置 INJECTION UNIT | |||
螺杆直径 Screw diameter | mm | 65 | 70 |
螺杆长径比 Screw L/D ratio | L/D | 24 | 21.5 |
理论注射容量 Shot volume(theoretical)(ps) | cm³ | 946 | 1289 |
注射重量 Injection weight(ps) | g | 861 | 1175 |
注射压力 Injection pressure | Mpa | 608 | 304 |
| 注射速率 Injection pressure | g/s | 171 | 186 |
螺杆转速 Screw speed | rpm | 240 | 226 |
合模装置 CLAMPING UNIT | |||
合模力 Clamping force | KN | 2800 | 3200 |
移模行程 Open stroke | mm | 590 | 660 |
拉杆间距(宽×高) Space between tie bars(W*H) | mm | 610*610 | 670*670 |
最大模厚 Max.Mould height | mm | 630 | 720 |
最小模厚 Min.Mould height | mm | 200 | 250 |
顶出行程 Ejector stroke | mm | 150 | 180 |
顶出力 Ejector force | KN | 90 | 110 |
其它 OTHERS | |||
最大油泵压力 Max.pump pressure | Mpa | 17.5 | 17.5 |
油泵马达功率 Motor power/servo power | KW | 35.6+24.1 | 48.2+24.1 |
电热功率 Heating power | KW | 38.4 | 31.4 |
外形尺寸(长×宽×高) Machine dimension(L*W*H) | m | 6.17*1.62*2.43 | 7.12*1.88*2.53 |
油箱容积 Oiltank cubage | L | 400 | 635 |
机器重量 Machine weight | t | 9.5 | 12.5 |
注:





复制产品链接
长按图片保存/分享